服务热线:0591-39010577 / 85236228
快捷导航
  • 1

[楼市杂谈] 2022年,三孩户型要怎么设计?

爱吃橙 发表于 2022-1-7 11:09:15 | 显示全部楼层 |阅读模式 | 来自福建
6349 0

请登录查看大图。42+万用户选择下载看福清App享受全功能!

您需要 登录 才可以下载或查看,没有账号?立即注册 |

x

2021年6月1日儿童节,政府给所有的大朋友送了一个政策大礼包:开放三胎政策。一石激起千层浪,围绕这一热点,各种声音众说纷纭。

抛去赚人眼球、偏激、搞笑、赞成及反对的种种评论,也不去分析政策宏观、微观的影响。单纯从设计师的角度出发,研究一下生三胎要住什么户型也是非常有意思的。

首先,谁会生三胎?

一、二线城市的2胎和3胎“敢生敢养”的家庭,更多是高端客群,他们购买力强,对居住舒适度要求更高。

生三胎,对房屋空间有什么要求?

三胎家庭,起步就是五个人,再加上两位老人帮忙带小孩,七口之家是最常见的配置。所以三胎家庭有三个维度需要考虑:

1.房间要够,四房为起步,拥有可变空间的更佳;

2.公共区域,也就是客餐厅厨房等功能空间要齐全且空间要大;

3.卫生间要够,最基本的配置是两个卫生间。

所以,三胎家庭4房、“4+1”房或5房将会成为该类置业者比较受欢迎的产品。今天我们主要以“4+1”房、5房为例分析。

大户型保证三胎家庭的居住需求和品质

140平以内做5房难度较大,140平以上的4+1房或5房会更普遍,相对来说会更加舒适。

① 4+1成长型户型


拥有可变的X空间,灵活可变,能够适应家庭成长。

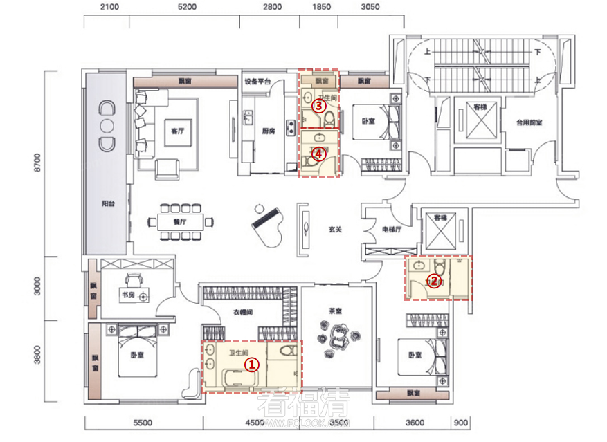
成都江博翠湾189㎡的五房,北向双次卧、南向主卧+次主卧设置,同时还设有多功能房,三胎三代同堂家庭居住不成问题。该户型可随着孩子的增加和不同成长阶段而变化,改善居住一步到位。当只有一个或两个孩子时,原本的四房完全可以满足三代二胎家庭居住。有了三胎之后,业主可以将多功能房或者横厅改造成一个卧室,包含老人或者保姆的6-8人的三胎家庭居住不在话下。

110802ohcc623yq33cqc9c.jpeg

图:成都江博翠湾189㎡五(4+1 )房两厅三卫

重庆龙湖昱湖壹号建面约196㎡户型,餐厅、客厅、茶室三厅L型排布,流线通畅,8.2米客厅和茶室与双花园阳台相连,让公共会客空间形成有机完整的空间,一步入厅,视野宽广。

110802djh8jubuh5vuuhvh.jpeg

重庆龙湖昱湖壹号约196㎡样板间

整个豪华主卧套房面积高达约54㎡,其中主卧中的书房可分为一间次卧,面积约27㎡。

110802idwz3g5lw3odwdz5.png

重庆龙湖昱湖壹号约196㎡户型示意图

再比如长沙万科森林公园248㎡户型,4+1房2厅4卫,6开间、4个卧室均朝南,其中一间保姆房位于北侧,与主人动线互不干扰,整个户型南北通透,居住的舒适感很棒,对于改善大家庭非常合适。

110802tpzpl75tw8t9z8at.png

长沙万科森林公园约248㎡户型示意图

开放式中西区餐厅,厨房、餐厅、客厅、L型阳台形成巨LDKG大公共活动空间。

双主卧均采用豪华酒店式套房设计,且都带独立景观阳台、衣帽间和卫生间,功能性舒适感都包含,品质居住完全满足。

② 5房,房间数量上取胜


3孩7口之家,直接五个房间设计,一步到位。

绿城·凤起玉鸣249㎡套型,有不少值得称道的地方。近60方西厨客餐一体的会客区,有10.45米的面宽,加上270度全景落地玻璃,将阔绰演绎到无以复加。

中间两面开门的书房也是颇有想法,两扇门打开后,南北空气流动畅通无阻。打开北门可以让书房和客厅餐厅融为一体,给家庭聚会带来更多延展性。关上北门,瞬间就可让动静区域泾渭分明,互不打扰。

比如重庆华侨城·云麓台约211㎡户型:

110803zgzoghy3do3yp7vw.jpeg

重庆华侨城·云麓台约211㎡户型示意图

5房2厅3卫、双阳台设计,南向约8.3米超大阳台,一大亮点是北向家政阳台竟然做到了5.7米,同时与厨房相连,方便快捷。

3-4个套房设计同时卫生间数量随之增加

都说评判豪宅的标准就是厕所数量,约160㎡-约250㎡之间的户型能做到3个卫生间,这其中必然有2个卧室套房设计,约250㎡以上的户型可做到4-5个卫生间。

绿城晓风印月面积约159㎡5室2厅3卫的大平层,卧室分布在公区两侧,左侧设有一个面积约20㎡的独立卧室,卧室采用套房设计,配有开间约1.35米,进深约1.95米的独立卫生间,且卫生间还采用了干湿分离设计。这个房间独居一偶,相对来说较为安静因此可以当做老人房进行使用。

110803royxu6jabji5aqeb.png

重庆绿城晓风印月约159㎡户型示意图

成都优山澜樾·澜园约161㎡户型:

110803pqns5qwsbnccccnw.png

成都优山澜樾·澜园约161㎡户型示意图

如果作为客卧,既为家庭成长预留了奢适空间,又成为彰显主人待客之道的尊贵客卧,保护主人的私密感。

户型面积上升一个高度之后,套房会增加至3个,又会增加一个卫生间,达到4个甚至5个。

比如武汉金湖听语四期住宅约275㎡户型:

110803olhwql0i0byi5qq0.png

武汉金湖听语四期住宅约275㎡户型示意图

该户型4+1房2厅4卫设计,4个卫生间再也不怕早晚高峰。超大边厅外连约8.7米阳台,舒适度极高。

重新定义餐、厨、厅LDKG一体化更受欢迎

七口之家,需要更多的公区空间。公区空间的合理规划,有利于家庭的互动交流。

110803gz3nkzfufsjaw3kw.png

如今流行的LDK厅(厨房-餐厅-客厅一体化设计)便是个很好的解决方案。

武侯金茂府195㎡户型设计可开放的U型中式厨房衔接西厨中岛,西厨中岛可充当吧台,再依次连接到餐厅、客厅等。

110803y3mvptdjwzgwwzbt.jpeg

(武侯金茂府195㎡户型环形动线)

户型的环形动线在一条动线上可以连接很多功能区,串联空间功能,让空间实现互动,很适合三个孩子捉迷藏。

城投绿城•凤起蘭庭230m²入口的照壁玄关,形成由门厅到正式空间的过渡区域,仪式感十足。主卧在单独一侧,保障了私密性。

约20.5m的超长转角阳台,刚好与LDK厅完美融合,形成“飞机舱”一般的视野。

110803grxuyx92ur9o66x9.jpeg

重庆龙湖北岛200㎡,4室2厅3卫户型,将空间迭代,公区更新升级,“空中庭院-端厅-社交化厨房+岛台”组合,面积约80平,空间感一下倍增,功能使用更为丰富,给足了家庭社交足够的场景和空间。

110803ef2cm5cm8c0f9t82.jpeg

三胎家庭,餐厨空间越来越大,除了因为增加了西厨功能,更重要的是餐厨空间逐渐开始成为家庭中心。

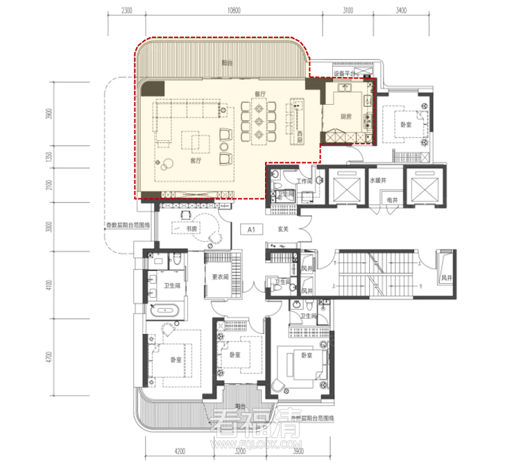
再比如郑州未来·天奕约286㎡偶数层户型:

110804kajhwityhaadhdaw.png

郑州未来·天奕约286㎡偶数层户型示意图

LDKG一体化生活轴线,社交空间、会客空间、烹调空间连成一体,超10米面宽的大边厅连接L型跑道阳台,中岛台,担纲社交厨房重任。

结语

随着家庭人数的增加,家庭结构和居住需求也在不停变得更复杂,对于空间的要求也在不停的变化,可以预见,随着三胎政策的不断落地和深化,房地产行业必将掀起新一轮户型设计的变革。

未来三胎户型还会发生什么变化还没有人能够知道,但是未来已来,已经有设计师走在前进的道路上,期待有更多的三胎户型在不久的将来呈现在我们眼前。

看福清——服务全球福清人!
回复

使用道具 举报

全部回复(0)
您需要登录后才可以回帖 登录 | 立即注册 |

手机访问|手机App|Archiver|手机版|小黑屋|关于我们

© 2025 FQLOOK.cn|国家高新技术企业|福清市互联网示范企业|福清市IP访问量前三企业

闽工商网备第350181100079485号|闽B2-20250200|闽公网安备35018102000007号 |闽ICP备07503243号

侵权举报:本页面所涉内容为用户发表并上传,相应的法律责任由用户自行承担;本网站仅提供存储服务;如存在侵权问题,请权利人与本网站联系删除!举报电话:0591-39010577(转8号按键)

GMT+8, 2025-12-17 09:33 , Processed in 0.061562 second(s), 15 queries , MemCache On. |Powered by Discuz! X3.4